用途,都能用到什么地方?氣力輸送技術的應用范圍:主要應用于糧食、港口、化工、冶金、電力、鑄造、食品、醫藥等領域。
氣力輸送裝置新技術、新設備、新材料、新工藝的廣泛推廣,以及自身技術的不斷完善和提高,自動控制新技術的應用,系統參數的優化,裝置結構的合理設計,使氣力輸送技術作為現代物流的一個重要環節,將會發揮應有的作用。下面介紹氣力輸送技術在現代工程中的應用。
氣力輸送在鑄造行業的應用:

一、造型材料氣力輸送的特點
1、造型材料的種類很多。在鑄造行業中,幾乎所有原材料都可以采用氣力輸送,包括粉狀(粘土粉、煤粉、焦炭粉、赤泥等);粒狀(石英砂、鑄造再生砂、鐵丸、鋼丸等);粘性物料(型砂、舊砂等)。
2、實現多種工藝要求。在氣力輸送過程中可實現多鐘工藝要求,從而提高鑄造用砂的質量,如氣力輸送中可以達到物料的混合、冷卻、烘干、分級、除塵等作用,達到鑄造舊砂再生效果,噴丸、拋丸清理鑄件后的鐵丸和鋼丸破碎率較高,采用氣力輸送可達到分級、除塵多種效果。
3、輸送量大。一條現代化的高效靜壓造型生產線所需的造型材料每小時的周轉量達200噸(其中煤粉、粘土粉的用量為8~10T,新砂的用量為15~20T)。
4、輸送距離較遠。鑄造廠內運輸,車間工部之間的物料輸送從10多米至數百米。
5、良好的除塵效果。鑄造行業粉塵濃度高、溫度高、勞動強度高。采用氣力輸送可以解決某些其他機械化輸送設備帶來的環境污染,改善鑄造業的生產環境。
二、多種形式的

鑄造行業氣力輸送形式分稀相和濃相,吸送和壓送。根據被輸送物料的特性和工藝要求來選用氣力輸送類型。
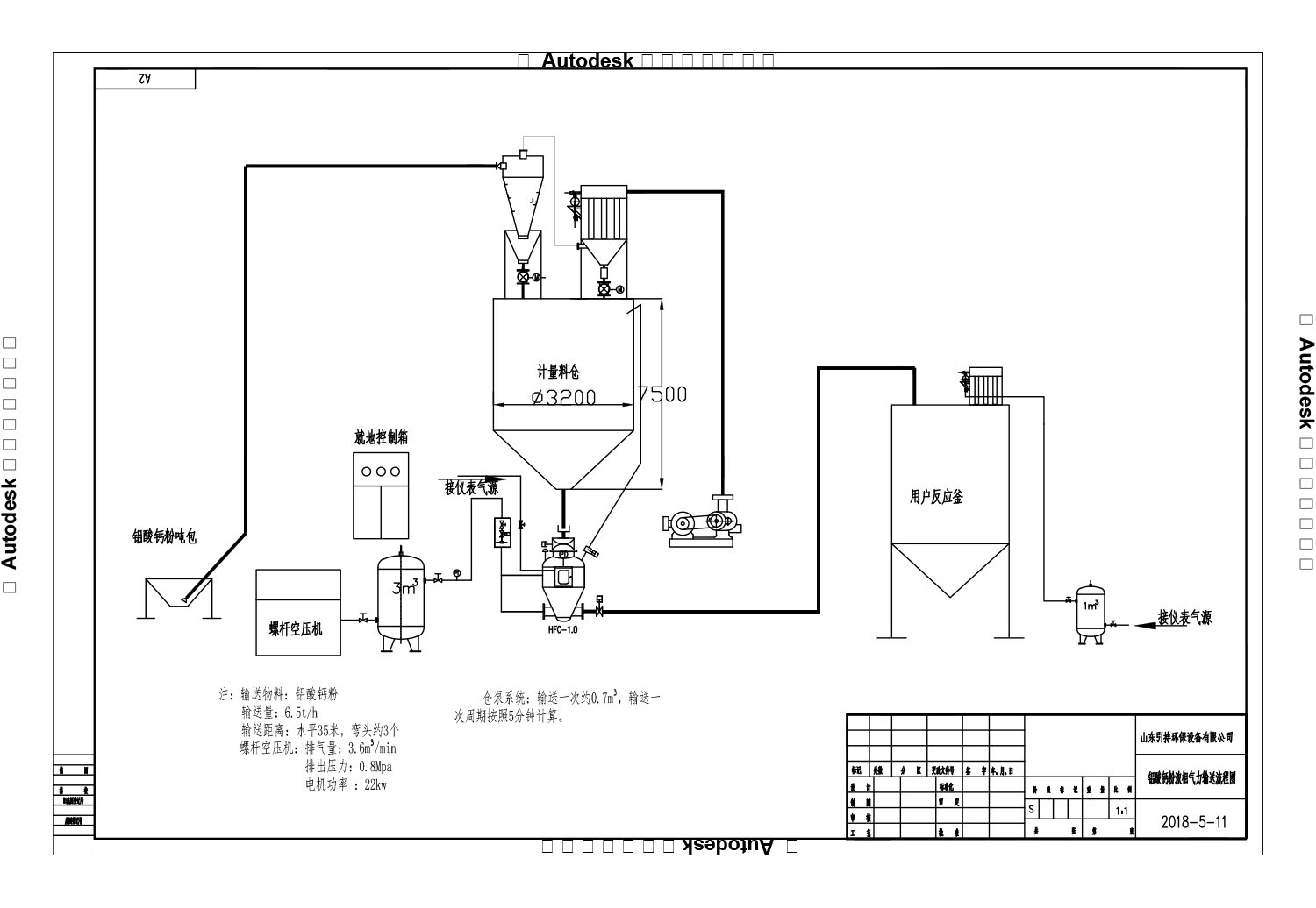
1、粉狀物料的氣力輸送。粉料氣力輸送一般采用上引式或下引式流態化發送罐間斷輸送。該系統是由倒料機、倒料除塵器、流態化發送罐、增壓器、耐磨彎管、三通岔道、、排氣過濾除塵器等組成。粉料氣力輸送主要為機械化造型線相配套的砂處理混砂機提供各種新砂、舊砂、煤粉、粘土粉,經電子稱量,按重量配比后放入混砂機內,一般砂處理工部由多臺混砂機組成,卸料點為2~10個,輸送距離一般為20~100m,輸送輸送生產率為6~10t/h。
2、粒狀物料的氣力輸送。鑄造行業料料有干、濕石英砂、樹脂再生砂、水玻璃再生砂,實型鑄造及V法鑄造砂(鉻鐵砂、橄欖石砂等)以及鐵丸、鋼丸等,均可采用正壓。用單臺發送罐間歇輸送;也可用雙罐并聯組合,一臺輸送,一臺裝料交替進行,基本實現連續輸送。根據進氣的方式及物料壓縮空氣混合狀態不同,發送罐形式可分為渦流式、推壓式、推送式、噴射式、流態化式等都屬。
氣力輸送技術在電力發電廠的應用
氣力輸送在燃煤電廠的使用越來越廣泛,主要原因是燃煤電廠產生的粉煤灰在化工、建材市場實現了綜合利用。粉煤灰采用水處理的方式效益低,耗水量大,水污染嚴重,而氣力除灰可將靜電除塵器收集的飛灰經氣力輸送至灰庫房集中處理。由于靜電除塵器多電場,具有灰粉粒度分級的作用,可實現粗、中、細灰級處理并貯存。
一、負壓氣力除灰與分選一體化系統
該系統是利用負壓氣力除灰系統的真空泵和氣灰分離(旋風衡陽宏冶重型機械有限公司袋式除塵器)結合蝸殼式氣流分級,使負壓輸送與分選一體化。系統由電除塵器灰斗,氣動卸灰器,進風閥和灰管線切換組成。
二、正壓氣力除灰系統

正壓氣除灰系統是以壓縮空氣作為輸送介質,將干灰輸送到灰庫或其他指定的地點,由于它具有輸送距離遠、輸送量大,系統設備少的特點,廣泛用于我國的燃煤電廠。
三、雙套管紊流氣力除灰輸送系統
采用雙套管特殊管道結構等技術措施來實現長距離(大于1公里)輸送。該系統工藝流程和設備組成與常規正壓氣除灰系統基本相同,仍采用上引式流化,不同之處是輸送管道采用特殊結構,使輸送空氣保持連續紊流。
四、電廠噴鈣脫硫、石灰石粉的氣力輸送
我國對電廠大氣中SO2排放指標實行嚴格控制。常用的二種脫硫方法:一是用循環流化床鍋爐,鍋爐內摻燒石灰石粉;二是在煙道后單獨設立一套煙氣脫硫系統。
氣力輸送技術在化工行業的應用
化工工業中的原材料、半成品、產品大多數是粉粒狀物料、粘性物料、熱料等,隨著生產過程自動化,具有全密封式的氣力輸送是一種最為理想的物料運輸設備。
一、聚氯乙烯(PVC)連續脈沖氣力輸送
脈沖氣力式氣力輸送系統,是一種負——正壓復合式雙罐連續脈沖氣力輸送系統。
該系統由兩部分組成:吸送部份,PVC粉料用人工倒入圓振篩內過篩,經吸嘴輸送管道送至旋風卸料器入中間料斗,采用水環式真空泵;壓送部分,物料經氣動蝶閥進入上發送罐,同時下發送罐輸送,當物料輸送至下料位計時,平衡閥開,上下發送罐壓力平衡,進料蝶閥開,物料進入下發送罐,延時后蝶閥關閉,上罐排氣進料,下發送罐不停連續輸送。
二、炭黑氣力輸送系統
它采用雙管氣力輸送是炭黑較理想的氣力輸送裝置,它的特點是氣流速度低,料氣混合濃度比高,管道不易堵塞,在停機的情況下可以重新啟動,適合于輸送容易磨搓破碎的顆粒炭黑和容易粘附的粉狀炭黑。
該氣力輸送系統主要由發送罐、雙管輸送管、分路閥、卸料器及除塵系統組成。
氣力輸送技術在港口的應用
氣力輸送廣泛地于港口卸船舶上的散裝物料,如谷物、粉煤灰、水泥、礦石粉、食鹽、化肥等。它可以提高卸貨速度,縮短船舶在港口的停泊時間。
氣力卸料機一般為負壓吸送式,負正壓復合式,負壓吸——正壓送組合式。
一、碼頭散裝水泥的氣力卸料系統
其結構是吸嘴及輸料管安裝在吊架上,吸嘴的下垂開關和吊架的俯仰及旋轉均在操作室內控制,可實現對不同位置進行吸引,水泥經一級旋風分離器分離后,由排料閥排出,含塵空氣經袋式除塵器排至大氣。該裝置設計輸送能力為100t/h,輸送水平距離約10m,垂直提升高度約22m,采用三葉,驅動功率為150kW。從中間料塔至水泥庫的壓送系統采用噴射泵兩臺交換發貨,基本上實現連續輸送。
二、港口吸卸糧食用的氣力吸糧機
氣力卸料機目前多用于散裝糧食卸船作業俗稱吸糧機。該系統的兩套獨立的吸糧機安設在一個門座上,它具有很完整的工作機構,除具有門架運行和臂架旋轉、變幅機構以外,還有吸糧機系統一些特有的性能,包括吸嘴轉動機構,垂直輸料管和水平輸料管的伸縮機構,卸料器和卸灰器的傳動機構等。
氣力輸送技術在糧食系統的應用
由于氣力輸送在完成物料輸送的同時,對糧食加工工藝十分有益,如提高產量,減少糧食霉變生蟲,改善車間衛生環境,節約維修費用,保障安全生產等,現在全國大多面粉廠、碾米廠、雜糧加工廠都采用了氣力輸送,并且逐步擴大到榨油廠、飼料廠等。在庫、廠、站之間的聯系,面粉、麩皮、麩糠、油餅等成品和副產品的發放等也逐漸采用了氣力輸送。
糧食行業氣力輸送形式有負壓輸送和正壓輸送兩種。在面粉廠的制粉車間,由于被輸送物料需要降溫冷卻,除塵吸濕,因此廣泛采用氣力吸送形式。對于生產專用粉的面粉廠,面粉在配粉過程中的輸送及散裝發運過程多采用氣力壓送形式,這主要是考慮到輸送的靈活性和長距離、高濃度、小風量。
氣力輸送技術在冶金行業的應用
冶金工業包括高爐煉鐵,平爐、轉爐、電爐煉鋼,都存在大量的粉粒狀物料的輸送,并在輸送過程中完成一定工藝要求。如:高爐煤粉的輸送和噴炭,高爐熔爐中煙渣卸出,白云石粉等爐襯材料的輸送,電爐泡沫渣埋弧技術中炭料的輸送噴炭,爐前與中央化驗室試樣的風動送樣,沖天爐鐵屑的噴系統,以及運用發送罐將脫硫劑、脫磷劑、脫硅劑等用氮氣、氬氣噴送到熔融的金屬液中等。
一、高爐煤粉氣力噴吹技術
該設計是以煤粉制造到濃相輸送噴煤系統,整個系統分兩部分,即煤粉自制和氣力噴煤。煤粉通過分選機、立式磨煤機并通入熱風進行干燥,通過特殊的袋式集粉器將煤粉及氣體分離,整個煤粉制造過程是在惰性氣體保護狀態下進行。噴入風口的煤粉要求顆粒表面積大,以便極細顆粒在循環區充分燃燒,該系統采用了濃相氣力輸送系統可以達到上述要求,并可降低管道磨損和輸送用的氮氣量。
二、電爐氣力噴炭技術

為了提高電爐熔化效率,強化冶煉,降低電耗,減少材料消耗。
該系統主要由中間料倉、發送罐、電子稱重、電控、氣路系統等組成。
氣力輸送技術在鐵路工程中的應用
在當前不斷提速的鐵路列車,由于路軌坡度大,及因氣候的變化,如下雪或下雨等因素,使車輛與路軌的粘著摩擦因數降低,為防止車輪打滑,由司機將機車上貯砂箱的閥門打開向路軌與車輪接觸面撒砂以增加摩擦力,保證列車的正常運行。新型內燃機車均設有貯砂箱,一個機頭一邊5個貯砂箱,兩邊共10個。給機車上砂系統一般根據路面的總體布置,設在機務段的準備場,完成機車檢修、加油、加水、加砂工作。機車用砂為干硅砂,粒度控制在6mm以下。
機車加砂系統由兩部分組成:一是砂準備,包括過篩、烘干除塵;二是采用兩級氣力輸送將砂輸送到機務段準備場的10個加砂塔內。砂準備一般采用三回程烘砂滾筒,流化床烘砂裝置或熱氣流烘砂系統。氣力輸送根據要求和準備場的具體條件選用負壓氣力輸送系統和正壓濃相氣力輸送系統。
氣力輸送技術在礦山的應用
氣力輸送在礦山的應用包括:井下采出雜煤的氣力提升機,采煤后填充材料的氣力充填,選礦廠干磨礦粉的氣力輸送等。
煤礦和礦山在采礦后形成的空區,為了防止其地層的下沉,影響地上人身財產的安全,采取回填的方法,其中氣力充填的新工藝在國內外日益廣泛應用。
集裝容器氣力輸送在工程中的應用
一、無輪集裝容器氣力輸送的應用
1、辦公室、醫院、郵電等部門的應用
2、糧食、煙草工業的應用
3、機械及冶金工業的應用
4、自身物體的輸送
二、有輪集裝容器氣力輸送的應用
有輪集裝容器氣力輸送的結構主要是集裝容器帶有行走輪,容器間有牽引裝置。
上一篇:氣力輸送一般是怎樣運送物料的
下一篇:一般常見的常用的氣力輸送
